Siemens LEIST.SCHALTER S00 2,2-3,2A (3RV2011-1DA15)
EUR119.08 inkl. 20 % USt zzgl. Versandkosten
Lieferzeit: Im Versandlager lagernd - versandbereit in 24-48 Stunden


Art.Nr.: 3RV2011-1DA15
Gewicht: 0,5 kg
Bewertung:


Produktbeschreibung
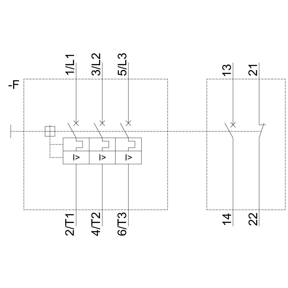
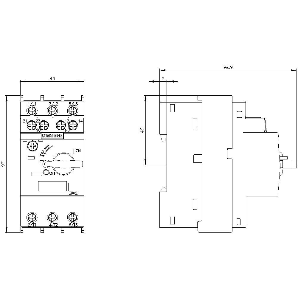
Der 3-polige Leistungsschalter der Baugröße S00 ist für den Motorschutz konzipiert und schützt Verbraucher sowie Anlagen zuverlässig vor Überlast und Kurzschluss. Er ermöglicht zudem eine sichere Trennung der Anlage vom Netz. Das Gerät der CLASS 10 verfügt über einen einstellbaren thermischen Überlastauslöser im Bereich von 2,2 A bis 3,2 A und einen magnetischen Kurzschlussauslöser bei 42 A. Die Bemessungsbetriebsleistung bei 400 V AC-3 beträgt 1,1 kW. Dieses Modell ist mit einem Schraubanschluss und einem querliegenden Hilfsschalter ausgestattet, der einen Schließer und einen Öffner umfasst. Die kompakten und klimafesten Leistungsschalter sind durch ihre geringe Abwärme für den Einsatz in Verbraucherabzweigen optimiert und eignen sich auch für IE3/IE4-Motoren. Weltweite Zulassungen wie IEC und UL/CSA sowie die Eignung für den Einsatz in explosionsgefährdeten Applikationen (ATEX) sind gegeben.
Technische Details:
| Name | Wert |
|---|---|
| Hersteller Artikelnummer | 3RV2011-1DA15 |
| Type | 3RV2011-1DA15 |
| Bemessungsbetriebsleistung bei AC-3, 400 V | 1,1 kW |
| Anschlussart Hauptstromkreis | Schraubanschluss |
| Auslösetechnik | magnetisch |
| Schutzart (IP) | IP20 |
| Überlastauslöser Stromeinstellung | 2,2 bis 3,2 A |
| Polzahl | 3 |
| Mit integriertem Unterspannungsauslöser | nein |
| Bemessungsdauerstrom Iu | 3,2 A |
| Mit integriertem Hilfsschalter | ja |
| Bemessungsbetriebsleistung bei AC-3, 230 V | 0,55 kW |
| Bemessungsgrenzkurzschlussausschaltstrom Icu bei 400 V, AC | 100 Kilo-Ampere |
| Einstellbereich des unverzögerten Kurzschlussauslösers | 42 A |
| Phasenausfallempfindlich | ja |
| Gerätebauart | Einbaugerät Festeinbautechnik |
| Bemessungsbetriebsspannung | 690 V |
| Höhe | 97 mm |
| Ausführung des Betätigungselements | Drehknopf |
| Tiefe | 97 mm |
| Breite | 45 mm |
| Mit thermischem Überlastschutz | ja |
Sicherheitshinweise
Warnhinweise
Bitte beachten Sie, dass elektrotechnische Arbeiten ausschließlich Fachelektrikern vorbehalten sind oder unter deren Aufsicht und Durchführung durchgeführt werden müssen.
Bewertungen
* Den Zusatz “Verifizierter Kauf” erhalten nur Bewertungen, die von Käufern abgegeben wurden, die das Produkt in diesem Shop gekauft haben. mehr
Hersteller-Information
Herstellerkennzeichnung
Herstellerkennzeichnung
Name: Siemens Aktiengesellschaft ÖsterreichE-Mail Adresse: kontakt.at@siemens.com
Strasse: Siemensstraße 90
Postleitzahl: 1210
Stadt: Wien
Land: AT
Hinweis:
Trotz sorgfältiger Datenpflege behalten wir uns technische Änderungen, Irrtümer sowie Abweichungen der Bild- & Textinhalte gegenüber dem Originalgerät vor.




